![]() |
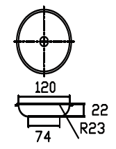
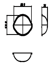
INCREASED STRENGTH Structural ribs can be added to pans to increase their strength to enable more pans to be stacked together and thus save bakery floor space. Note that structural ribs may require modification to some pan stacker magnets and are not available on flat tray style bun pans (bun pan style cupcake and muffin pans only). Our high-strength steel band material is available in 1/4″ round or 1/2″, 5/8″, 11/16″ and 7/8″ bands (tray/rack oven style cupcake and muffin pans and bun pan style cupcake and muffin pans only). |
|
MATERIAL OPTIONS Moulds can be seamless or seamed in (channel frame style cupcake and muffin pans only). Bun pan style pans are available in band up or band down (inverted) designs (bun pan style cupcake and muffin pans only). |
![]() |
![]() |
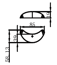
EASE OF USEOur bun pans are available in 1″, 2″, or 3″ seamless corners, with 2″ corners as our most popular option. Smooth, seamless corners reduce pan diagonal measurement and ease transfer through the system. (tray/rack oven style cupcake and muffin pans and bun pan style cupcake and muffin pans only). |
![]() 104 Cups Round Cake Pan |
![]() 40 Cups Round Cake Pan |
|
|
|
|
![]() 24 Cups Roudn Cake Pan |
![]() 25 Cups Panda Cake Pan |
![]() 25 Cups Rectangle Cake Pan |
|||||||||||||||||||||
|
|
|
![]() 21 Cups Mobao Cake Pan |
![]() 20 Cups Cake Pan |
![]() 21 Cups Mobao Cake Pan |
|||||||||||||||||||||
|
|
|
![]() 24 Cups Round Cake Pan |
![]() 24 Cups Round Cake Pan |
![]() 28 Cups Round Cake Pan |
|||||||||||||||||||||
|
|
|
![]() 35 Cups Round Cake Pan |
![]() 35 Cups Round Cake Pan |
![]() 35 Cups Round Cake Pan |
|||||||||||||||||||||
|
|
|
![]() 12 Cups Square Cake Pan |
![]() 24 Cus Round Cake Pan |
![]() 22 Cus Bread Cake Pan |
|||||||||||||||||||||
|
|
|
![]() 40 Cups Round Cake Pan |
![]() 45 Cups Round Cake Pan |
![]() 45 Cups Round Cake Pan |
|||||||||||||||||||||
|
|
|
![]() 54 Cups Round Cake Pan |
![]() 54 Cups Round Cake Pan |
![]() 66 Cups Round Cake Pan |
|||||||||||||||||||||
|
|
|
![]() 66 Cups Round Cake Pan |
![]() 70 Cups Round Cake Pan |
![]() 70 Cups Round Cake Pan |
|||||||||||||||||||||
|
|
|
![]() 20 Cups Rectangle Cake pan |
![]() 25 Cups Rectangle Cake pan |
![]() 28 Cups Rectangle Cake pan |
|||||||||||||||||||||
|
|
|
![]() 36 Cups Rectangle Cake Pan |
![]() 40 Cups Rectangle Cake Pan |
![]() 40 Cups Rectangle Cake Pan |
|||||||||||||||||||||
|
|
|
![]() 54 Cups Square Cake Pan |
![]() 40 Cups Square Cake Pan |
![]() 40 Cups Square Cake Pan |
|||||||||||||||||||||
|
|
|
![]() 40 Cups Square Cake Pan |
![]() 28 Cups Square Cake Pan |
![]() 66 Cups Square Cake Pan |
|||||||||||||||||||||
|
|
|
![]() 44 Cups Triangle Cake Pan |
![]() 40 Cups Triangle Cake Pan |
![]() 24 Cups Triangle Cake Pan |
|||||||||||||||||||||
|
|
|
![]() 36 Cups Mobao Cake Pan |
![]() 44 Cups Mobao Cake Pan |
![]() 14 Cups Bread Pan Cake Pan |
|||||||||||||||||||||
|
|
|
![]() 15 Cups Round Cake Pan |
![]() 15 Cups Round Cake Pan |
![]() 24 Cups Round Cake Pan |
|||||||||||||||||||||
|
|
|
![]() 35 Cups Heart Cake Pan |
![]() 12 Cups Hotdog Cake Pan |
![]() 30 Cups Banana Cake Pan |
|||||||||||||||||||||
|
|
|
![]() 27 Cups Banana Cake Pan |
![]() 32 Cups Cake Pan Cake Pan |
![]() 32 Cups Baer Cake Pan |
|||||||||||||||||||||
|
|
|
![]() 35 Cups Round Cake Pan |
![]() 40 Cups Round Cake Pan |
![]() 40 Cups Round Cake Pan |
|||||||||||||||||||||
|
|
|
![]() 40 Cups Rectangle Cake Pan |
![]() 42 Cups Rectangle Cake Pan |
![]() 60 Cups Egg Cake Pan |
|||||||||||||||||||||
|
|
|
![]() 28 Cups Round Cake Pan |
![]() 40 Cups Scallop Cake Pan |
![]() 24 Cups Flower Cake Pan |
|||||||||||||||||||||
|
|
|
![]() 24 Cups Round Cake Pan |
![]() 36 Cups Cake Pan Cake Pan |
![]() 54 Cups Flower Cake Pan |
|||||||||||||||||||||
|
|
|
![]() 96 Cups Round Cake Pan |
![]() 63 Cups Round Cake Pan |
![]() 84 Cups Round Cake Pan |
|||||||||||||||||||||
|
|
|
![]() 50 Cups Round Cake Pan |
![]() 54 Cups Round Cake Pan |
![]() 24 Cups Round Cake Pan |
|||||||||||||||||||||
|
|
|
![]() 12 Cups Round Cake Pan |
![]() 24 Cups Round Cake Pan |
![]() 60 Cups Square Cake Pan |
|||||||||||||||||||||
|
|
|
![]() 28 Cups Round Cake Pan |
![]() 28 Cups Round Cake Pan |
![]() 60 Cups Round Cake Pan |
|||||||||||||||||||||
|
|
|
![]() 80 Cups Rectangle Cake Pan |
![]() 56 Cups Rectangle Cake Pan |
![]() 40 Cups Rectangle Cake Pan |
|||||||||||||||||||||
|
|
|
![]() 42 Cups Rectangle Cake Pan |
![]() 42 Cups Rectangle Cake Pan |
![]() 42 Cups Rectangle Cake Pan |
|||||||||||||||||||||
|
|
|
![]() 36 Cups Rectangle Cake Pan |
![]() 36 Cups Rectangle Cake Pan |
![]() 36 Cups Rectangle Cake Pan |
|||||||||||||||||||||
|
|
|
![]() 36 Cups Cake Pan |
![]() 42 Cups Lemon Cake Pan |
![]() 42 Cups Lemon Cake Pan |
|||||||||||||||||||||
|
|
|
![]() 28 Cups Mango Cake Pan |
![]() 48 Cups Banana Cake Pan |
![]() 28 Cups Duck Cake Pan |
|||||||||||||||||||||
|
|
|
![]() 48 Cups Bear Cake Pan |
![]() 48 Cups Bear Cake Pan |
![]() 36 Cups Eight Cake Pan |
|||||||||||||||||||||
|
|
|
![]() 42 Cups Mobao Cake Pan |
![]() 27 Cups Mobao Cake Pan |
![]() 48 Cups Cake Pan |
|||||||||||||||||||||
|
|
|
![]() 24 Cups Donut Cake Pan |
![]() 24 Cups Cake Pan |
![]() 24 Cups Cake Pan |
|||||||||||||||||||||
|
|
|















































































































































































































